双开双控开关
双重控制意味着两组这样的匹配可以控制一个灯而不会相互影响。它可以在任何一个打开或关闭。
您可能还喜欢这些产品
开关(步进)衰减器被动音量控制Hi-Fi Collective 为其澳大利亚客户 Glasshouse 设计了一种具有无与伦比性能的开关衰减器无源音量控制。行业/应用领域:高端hi-fi使用的产品:Vishay箔电阻(
- 双极晶体管工作原理及应用领域
双极晶体管是一种广泛应用在电子设备中的半导体器件,它的工作原理和应用范围非常广泛,对现代电子技术的发展起到了至关重要的作用。双极晶体管
- 如何连接两相电机的双电容器
如何连接两相电机的双电容器两相电机的双电容通常需要连接到电机的主电路,其接线方法如下:方法/步骤首先,两个电容器需要并排放置,并应注意将
直流双臂电桥测低值电阻误差分析为了避免导线电阻和端子接触电阻对直流电桥测量的低电阻测量结果造成较大误差,开尔文直流双臂电桥用于测量低电阻的电阻值本文介绍了开尔文直流
- 双极晶体管与高压晶体管的技术原理及应用对比分析
双极晶体管与高压晶体管的核心技术解析双极晶体管(Bipolar Junction Transistor, BJT)是电子电路中广泛应用的一种半导体器件,其工作原理基于电子和空穴
FOC电流采样方案比较(单电阻/双电阻/三电阻)1 电流采样的作用在FOC算法中,电流采样在反馈环节是相当重要的一部分,无论是
有感FOC,还是从基础到前沿:双极晶体管与高压晶体管的发展趋势展望双极晶体管与高压晶体管的演进路径与未来方向随着半导体材料与制造工艺的进步,双极晶体管与高压晶体管正朝着更高性能、更小体积和更强集成度的
- 开关
开关开关是指电子设备中用于接触、断开和开关电路的部件。开关的原理是,“闭合”触点表示电子触点导通,允许电流流过;“开路”是指电子触点不
电机三电阻采样还是两电阻采样好(单电阻/双电阻/三电阻)1 电流采样的作用在FOC算法中,电流采样在反馈环节是相当重要的一部分,无论是有感FOC,还是无感FOC,相电流是交流三相同步电机在进行坐标变换的关
开关用二极管有用于小电流(10mA)的逻辑运算和用于数百毫安磁芯励磁的开关二极管。小电流开关二极管通常包括点接触型和键型二极管,以及可能在
磁黄开关的作用顾名思义,开关用于连接和断开电路。磁簧开关类似于继电器。它有触点和线圈。线圈通电触点闭合并连接电路。相反,线圈断电,触点断开,电路断开
电感式接近开关电感式接近开关由三部分组成:振荡器、开关电路和放大输出电路。振荡器产生交变磁场。当金属目标接近该磁场并达到感应距离时,金
- 闭合开关电阻变小
闭合开关S后,电阻R和滑动变阻器R串联,电压表V1测R的电压,电压表V2测R的电压。 当滑片P向右移动时,滑动变阻器连入电路的电阻变小电路中的总电阻
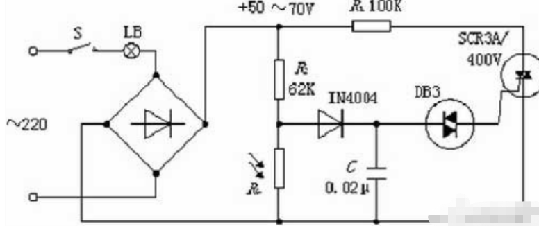
光敏电阻怎么做开关1、光敏电阻调光电路图中是一种典型的光控调光电路,其工作原理是:当周围光线变弱时引起光敏电阻RG的阻值增加,使加在电容C上的分压上升,进而使
- 光敏电阻开关制作视频
如何使用光敏电阻制作简单的光控开关?如何使用光敏电阻制作简单的光控开关呢?天亮的时候不开关断开,天黑的时候开关闭合。光敏电阻的阻值随光
TDK电容开关转换器紧凑型简介新一代CeraLink,该产品基于SIC和GaN半导体的快速开关转换器的缓冲和直流链路提供紧凑的解决方案,与传统的陶瓷电容器相比,CeraLink在施加应用电压下能
- 北京总代理美国SOR索尔压力开关
北京作为中国的首都和重要的商业中心,在引进国外高品质产品和技术方面发挥着关键作用。例如,北京的某家公司成为了美国SOR(索尔)压力开关的总
- 湖北耐腐蚀性Key电缆浮球液位开关
湖北地区使用的耐腐蚀性Key电缆浮球液位开关是一种专门设计用于监测和控制液体水平的设备。这种液位开关特别适用于具有腐蚀性的液体环境,如化工
- 代理分销美国SOR压力开关的服务与价值
代理分销美国SOR压力开关是一种专业的服务模式,旨在为客户提供高质量的压力控制解决方案。美国SOR公司以其在工业自动化领域的卓越技术和丰富经验
阿尔卑斯轻触开关的结构特点和使用范围阿尔卑斯轻触开关的结构由插件、底座、弹片、按钮和盖板组成。防水轻触开关由弹片上的一层聚酰亚胺薄膜组成。如果阿尔卑斯山触摸开关(按键)中
