为了在电源回路中,低成本的方案,尽可能准确的采集到回路电流,最常用的办法就是采样电阻。一般选用精密电阻串到电流回路中,计算好电流与阻值乘积为电压的关系,同时要考虑自身的功率情况,避免过流发热烧坏采样电阻本身。这种设计中,如果采样精度要求不是那么高,还可以使用“康铜丝”来进行设计。
在采样电阻两端转化出来的电压差值,需要递送到运算放大器的同向输入端及反向输入端,进行差分放大,放大电路的设计要考虑需要进行放大的倍数,输出端信号给到单片机或ADC采样器时,ADC的电压范围。同时,也要考虑运算放大器的工作电压,应确定的与后级采样器相匹配。
在采样电阻出来的差分电压信号,PCB设计时,如何走线到运算放大器,可以采用“开尔文”接法;以及两根差分信号线需要并行走线的方式将信号送入运放,这样才能尽可能保证差分信号 同时、少受干扰的到达运放。
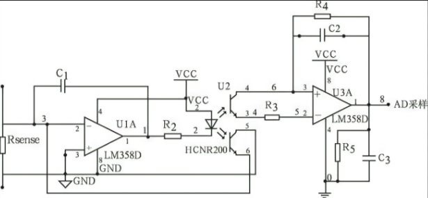
电流采样的原理图如下,运放通道的一路作为参考电压,这个运放将差分电压信号放大5倍,反向输入端的电压信号与GND等电位的,单独区别这个信号点目的是让采样电阻负极端的GND准确的送入放大器:

采样电阻开尔文接法,目的是准确采样到采样电阻两端的电压值:

电流采样还有其他办法,还有霍尔感应的方式,这种成本就相对高的多,但是在大电流的场合应用更适合。
采样电阻采样还会存在一个问题,就是温漂的影响。采样值的精度、噪声会因为温度的变化而飘动。当然,目前的技术,高精度采样电阻受温度的影响已经足够小了。
高低端问题
采样电阻采样换算电流的方案,最好用低端采样的方案,也就是在电源回路连接到GND的网络点加入采样电阻,这样在差分信号送入运放的时候,才能被运算完整的差分、跟随、放大、输出。
否则,将采样电阻放在高端进行,也就是电源正极输入的网络点,将采样电阻两端的差分信号,送到运放输入端时, 虽然差分电压值非常小,但实际的对地电压是非常高的。如果运放的工作电压是ADC采样器的电压,那这个差分信号对于运放来说,不能被正确跟随放大。除非,运放接入的电压是高于这个 采样点的对地电压。但是由于轨对轨原因,运放的实际接入电压最好高于采样点对地电压1-2V。这样的电路设计,运放的工作状态不是最理想的,电压的放大情况不尽如意。
所以,采样电阻加运放的电流采样方法,最好是在低端进行。虽然,低端采样,由于共地干扰的原因会影响信号的纹波情况。但是相对高端来说,方案简单易行,成本低,可靠度高。
有专门用于高端差分信号采样的运放,价格相对高出去许多。
